Grain Size in Metalworking: Microstructures of Strength
What Is Grain Size?
While manufacturing metals, we often focus on big picture factors, precision, surface finish or corrosion resistance. One of the most critical aspects of a metal’s performance is something you cannot see with the naked eye: grain size. So, what is grain size, and why does it matter so much in your final product? Metals are made up of tiny crystals called grains. When metal solidifies from its molten state, these grains form and grow in different directions. The grain size refers to how large or small these crystals are. Finer grains mean more crystals per unit area, and coarser grains mean fewer, larger crystals.
How Grain Size Is Measured
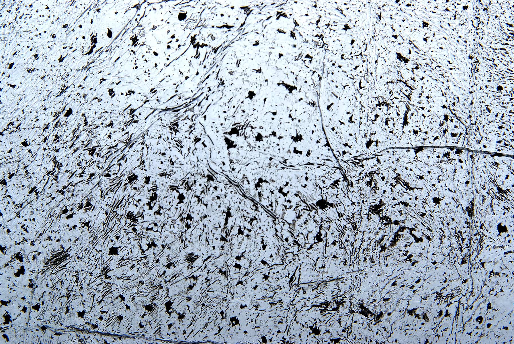
Grain sizes are typically measured in accordance with ASTM E112, which specifies how to prepare the sample via sectioning and polishing, and etching to enhance grain boundaries when viewed under high magnification. The standard also defines several methods to evaluate the grain size once the sample is under the microscope. The standard assigns a numerical value to grain size. The higher the number, the finer the grain size. For example, a size of 4 is considered coarse while a value of 8 is trending finer.
How Grain Size Affects Mechanical Properties
with elements such as The importance of grain size is directly related to the mechanical properties of the metal. Smaller grains improve strength and toughness by blocking the movement of dislocations, a key mechanism of deformation as described through the Hall-Petch relationship. Smaller grains typically resist crack initiation and growth better under repeated stress. Coarser grains meanwhile can improve ductility, allowing metals to stretch and deform before breaking.
How Manufacturers Control Grain Size
In manufacturing, controlling grain size is a powerful tool, commonly done through a few different processes. Heat treatment processes like annealing or normalizing can refine or grow individual grains, even cooling rate after casting or welding plays a role. Cooling quickly tends to produce finer grains. Thermomechanical processes like forging, rolling and extrusion can break up large grains and form smaller ones. Additionally, alloying by adding elements like titanium or niobium can help control grain growth. Learn more about how alloying influences performance across different tubing materials.
Why Grain Size Matters in Stainless Steel Tubing
With products like stainless steel tubing, a fine grain structure enhances the tube’s strength, surface finish and resistance to fatigue cracking, crucial in applications like aerospace or medical devices. Thus, intermediate annealing during tube production plays an important role in managing grain size. Coarse grains on the other hand, might be better for forming operations where higher ductility is needed. For applications requiring engineered performance, Vita Needle also manufactures custom fabricated parts to meet precise dimensional and structural requirements.
Frequently Asked Questions
What is grain size in metalworking?
Grain size refers to how large or small the tiny crystals, called grains, in a metal are. Finer grains mean more crystals per unit area, while coarser grains mean fewer, larger crystals.
How is grain size measured?
Grain size is commonly measured in accordance with ASTM E112, which outlines sample preparation including sectioning, polishing and etching to make grain boundaries visible under magnification. The standard assigns a numerical value where a higher number indicates a finer grain size.
How does grain size affect metal strength and toughness?
Smaller grains can improve strength and toughness by blocking the movement of dislocations, a key mechanism of deformation described through the Hall-Petch relationship. Smaller grains also typically resist crack initiation and growth better under repeated stress.
When can coarser grains be beneficial?
Coarser grains can improve ductility, allowing metals to stretch and deform more before breaking. This can be helpful for certain forming operations where flexibility is required.
How do manufacturers control grain size?
Grain size can be influenced through heat treatment such as annealing or normalizing, cooling rate after casting or welding, thermomechanical processes like forging, rolling and extrusion, and alloying by adding elements such as titanium or niobium.
Why does grain size matter for stainless steel tubing?
In stainless steel tubing, a fine grain structure can enhance strength, surface finish and resistance to fatigue cracking. Intermediate annealing during tube production plays an important role in managing grain size for performance critical applications.
